2026
Precisa de ajuda? Ligue-nos para o 239 640 210
Início
Marcas & Categorias
Kits
Loja
Ajuda
Contacte-nos
O meu carrinho
Iniciar sessão
Pesquisa em Grelha
Marcas
/
Laverda
/
3500
/
PLATAFORMA DO MOTORISTA
Mostrar todos os Produtos
01.INSTALAÇÃO DA CABINE COM AR CONDICIONADO (VARIAÇÕES)
02.ELEMENTOS DA BOMBA DE FREIO (BENDITALIA) - 320845700
03.ELEMENTOS DA BOMBA DE FREIO (BETOR) - 321185700
04.FREIOS
05.FREIOS
06.CAB-ELEMENTOS
07.CAB-ELEMENTOS
08.CAB-ELEMENTOS
09.CAB-ELEMENTOS
10.CAB-ELEMENTOS
11.CAB-ELEMENTOS
12.CAB-ELEMENTOS
13.CAB-ELEMENTOS
14.CAB-ELEMENTOS
15.CAB-ELEMENTOS
16.CAB-ELEMENTOS
17.CAB-ELEMENTOS
18.ELEMENTOS DA CABINE (AR CONDICIONADO)
19.ELEMENTOS DA CABINE (AR CONDICIONADO)
20.CAB ELEMENTS (VENTILADA)
21.CAB-ELEMENTOS
22.CAB-INSTALAÇÃO
23.CAB-INSTALAÇÃO
24.CAB-INSTALAÇÃO
25.CAB-INSTALAÇÃO
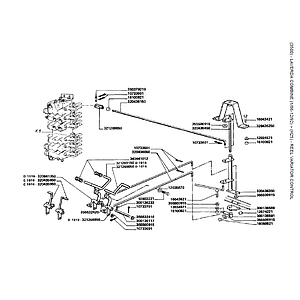
26. CONTROLO DE ADICIONAMENTO DO CÔNCAVE
27.CONTROLO DE ADICIONAMENTO DO CÔNCAVE
28.PROTECÇÃO DO CONTROLO DE ALAVANCAS
29.INDICADOR DE ALTURA DE CORTE
30.CONTROLE DA EMBRAIAGEM DA MESA DE CORTE
31.CONTROLE DA EMBRAIAGEM DA MESA DE CORTE
32. CONTROLE DE ELEVAÇÃO DA MESA DE CORTE
33.PAINEL (C1016)
34.PAINEL (D1016)
35.TRAVÃO DE PLATAFORMA DO MOTORISTA
36.ESCADA DA PLATAFORMA DO MOTORISTA
37. ESCADA DA PLATAFORMA DO MOTORISTA
38.PLATAFORMA DE CONDUÇÃO
39.VARIAÇÃO DO CONTROLO DO TAMBOR
40.ACELERAÇÃO DO MOTOR
41.SUPORTE DAS LUZES DIANTEIRAS (C1016)
42.SUPORTE DAS LUZES DIANTEIRAS (D1016)
43.MUDANÇA DE ALAVANCAS
44.TRAVÃO DE MÃO
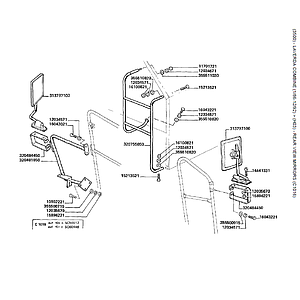
45. ESPELHOS DE VISTA TRASEIRA
46. ESPELHOS DE VISTA TRASEIRA (D1016)
47. CONTROLO DE ELEVAÇÃO DA BOBINA
48.CONTROLO DA POSIÇÃO DO CARRETEL
49.CONTROLO DO VARIAÇÃO DO CARRETEL
50.INVERSOR
51.INVERSOR
52.ASSENTO (BOSTROM)
53.ASSENTO (BOSTROM)
54.ASSENTO (SIFRA) - (CLOTH)
55.ASSENTO (SIFRA) - (COURO COM BRAÇOS)
56.MUDANÇA DE ALAVANCAS
57.COLUNA DE DIRECÇÃO (C1016)
58. COLUNA DE DIRECÇÃO (D1016)
59.VOLANTE
60.CONTROLE DA EMBREAGEM DA DESCARGA DO TANQUE
61.THRESHING MECHANISM CLUTCH CONTROL
62.CONTROLE DO TUBO DE DESCARGA
Não encontrou o que procura? Clique Aqui.