2026
Precisa de ajuda? Ligue-nos para o 239 640 210
Início
Marcas & Categorias
Kits
Loja
Ajuda
Contacte-nos
O meu carrinho
Iniciar sessão
←
→
Marcas
/
Laverda
/
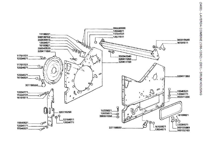
3400
/
ELEVADOR
/
09.CARCAÇA DE TAMBOR
←
→
Mostrar Desenho Técnico
Lista de Preços Públicos
Nenhum produto definido
Can't find what you're looking for? Fill in the form below
Nome Completo
Email
Nº Peça
Observações
Confirmar